eMTB / E-kargo

Motor Hab Belakang E-Jenis RF500

Motor Hab Belakang E-Type RF500 direka untuk basikal E-Cargo dan E-MTB, serasi dengan sistem 36V/48V. Ia menawarkan kuasa terkadar 500-750W dan lebih 75Nm tork, mengendalikan rupa bumi yang kompleks dan beban berat dengan mudah. Motor ini menyokong roda 20-28 inci, beratnya hanya 4.2kg, dan menampilkan keciciran 100mm dengan nisbah gear 5.4. Reka bentuk ini mengoptimumkan output tork, memastikan pecutan lancar pada kelajuan rendah dan kecekapan yang dipertingkatkan.

Parameter Utama
Struktur motor: Voltan Berkadar (V): Kuasa Dinilai (W):
Motor Hab Pemacu Belakang 36-48 250-500
Tork Puncak (N.m.): Berat (KG): LAMA (mm):
75 4.2 135
maklumat terperinci
  • Motor Hab Belakang E-Jenis RF500
  • Motor Hab Belakang E-Jenis RF500
Ningbo Yinzhou HENTACH Electromechanical Co., Ltd. Product Parameters Ningbo Yinzhou HENTACH Electromechanical Co., Ltd. Drawing Ningbo Yinzhou HENTACH Electromechanical Co., Ltd. Contact Us

Data Teras

Kuasa yang diberi nilai 250-500
Voltan terkadar 36-48
Diameter roda 20-28
Julat kelajuan 25-38
Tork maksimum 75
Nisbah Gear 5.4
Berat (KG) 4.2

Parameter Pemasangan

Brek Brek cakera
Kaset penderia tork Tidak
Laluan Pengkabelan Gandar Tengah Kanan
Lubang jejari 2-18-Ф3.2
Penilaian kalis air IP54(Sehingga IP65)
Roda tenaga / roda gegancu Rotary Fly 7-kelajuan/Kafei(OLD142)
Sijil TUV/EN15194/RoHS

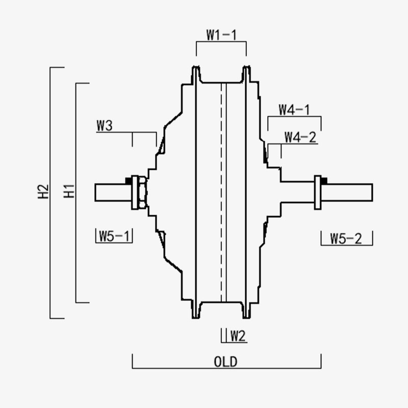
H1/ OD: 157
H2/OD Motor: 180
W1(-1/-2): 36
W2: 3.75
W3: 15.2
W4(-1/-2): 38/9.5
W5(-1/-2): 26/37
LAMA: 135
Panjang Gandar: 198
Ningbo Yinzhou HENTACH Electromechanical Co., Ltd.
hubungi kami
  • Hantar dan hantar
Ningbo Yinzhou HENTACH Electromechanical Co., Ltd.
APA YANG MEMBESARKAN KITA
  • Motor hab pemacu belakang yang berkuasa, bukaan gear 135mm, kuasa undian sehingga 500w

  • Gear keluli plastik yang dipatenkan: 5 kali tork gear nilon; jangka hayat lebih daripada 40,000 km; lebih rendah selepas jualan

  • Tork gerai sehingga 75NM, direka khas untuk eMTB/Kargo.

SIAPA KITA Lebih daripada 20 tahun pengalaman pengeluaran.

Ningbo Yinzhou HENTACH Electromechanical Co., Ltd. (Sebelum ini Hengtai Motor) Ditubuhkan pada tahun 1995 dan sebelum ini dikenali sebagai "Hengtai Motor" (nama Cina syarikat kami), kami secara rasmi menerima pakai nama Inggeris "HENTACH Motor" pada tahun 2020. Kedua-dua nama mewakili pengeluar dipercayai yang sama khusus untuk inovasi elektromekanikal selama lebih 30 tahun. Mengkhusus dalam pemutus dan pemprosesan ketepatan motor DC mini, motor hab elektrik/motosikal dan aloi aluminium-magnesium untuk kenderaan elektrik, kami menggabungkan sistem kawalan kualiti ISO 9001 yang ketat, amalan pengurusan matang dan peralatan pembuatan/pengujian termaju untuk menyampaikan penyelesaian yang boleh dipercayai.

Dengan keupayaan menyeluruh yang merangkumi penuangan bahan mentah hingga penghantaran produk akhir, kami menawarkan perkhidmatan kepada pelbagai pasaran termasuk e-basikal, kenderaan kargo, AGV, kereta golf, jentera pertanian dan e-karting. Kampus kami yang seluas 9,000+㎡ (kawasan binaan 5,000㎡) menempatkan lebih 60 unit peralatan pengeluaran canggih, termasuk mesin tuangan acuan 500 tan, peralatan mesin CNC jitu, sistem penandaan laser, talian pengoksidaan mikro-arka dan dua bangku ujian motor kenderaan elektrik khusus. Infrastruktur ini memastikan pengeluaran yang cekap dan pematuhan ketat dengan piawaian kualiti antarabangsa.

Di HENTACH (Hengtai), kami mengutamakan bahan berkualiti tinggi dan teknologi proprietari—gear keluli nilon kami yang dipatenkan adalah bukti kecemerlangan kejuruteraan kami. Untuk mengesahkan ketahanan, kami pernah melancarkan program jaminan perbatuan untuk motor melebihi 30,000 batu. Hasilnya? Lebih 50 motor bukan sahaja memenuhi penanda aras ini tetapi mengatasinya, dengan beberapa buah mencapai 50,000 batu yang mengagumkan. Prestasi dunia sebenar ini mencerminkan tumpuan kami yang tidak berbelah bahagi pada kebolehpercayaan dan mendorong kami untuk terus berinovasi untuk penyelesaian motor yang lebih bijak dan lebih kukuh.​
Percayai jenama yang dikenali di seluruh dunia sebagai Hengtai Motor dan HENTACH Motor—di mana inovasi gear keluli yang dipatenkan memenuhi ketahanan yang terbukti.

Disahkan Oleh Pensijilan