eMTB / E-kargo

Motor Hab Belakang E-Type Pro RF750

Motor Hab Belakang E-Type Pro RF750 direka untuk basikal E-Cargo dan E-MTB, serasi dengan benang 7-kelajuan pada roda bebas dan LAMA 135mm. Kuasa terkadar ialah 750W dengan tork lebih 85Nm, mengendalikan beban tinggi dan rupa bumi yang kompleks dengan mudah. Dilengkapi dengan gear keluli plastik yang dipatenkan, motor ini memberikan kapasiti tork 5 kali ganda gear nilon, bertahan lebih 40,000 km dan mengurangkan kos penyelenggaraan dengan ketara. Sama ada di atas bukit yang curam, laluan lasak atau pengangkutan kargo berat, ia memberikan keupayaan mendaki yang luar biasa dan pecutan segera.

Parameter Utama
Struktur motor: Voltan Berkadar (V): Kuasa Dinilai (W):
Motor Hab Pemacu Belakang 36-48 350-750
Tork Puncak (N.m.): Berat (KG): LAMA (mm):
85 5.5 137
maklumat terperinci
  • Motor Hab Belakang E-Type Pro RF750
  • Motor Hab Belakang E-Type Pro RF750
Ningbo Yinzhou HENTACH Electromechanical Co., Ltd. Product Parameters Ningbo Yinzhou HENTACH Electromechanical Co., Ltd. Drawing Ningbo Yinzhou HENTACH Electromechanical Co., Ltd. Contact Us

Data Teras

Kuasa yang diberi nilai 350-750
Voltan terkadar 36-48
Diameter roda 20-28
Julat kelajuan 25-38
Tork maksimum 85
Nisbah Gear 5.27
Berat (KG) 5.5

Parameter Pemasangan

Brek Brek cakera
Kaset penderia tork Tidak
Laluan Pengkabelan Gandar Sebelah Kiri
Lubang jejari 2-18-Ф3.2
Penilaian kalis air IP54(Sehingga IP65)
Roda tenaga / roda gegancu Rotary 7-kelajuan
Sijil TUV/EN15194/RoHS

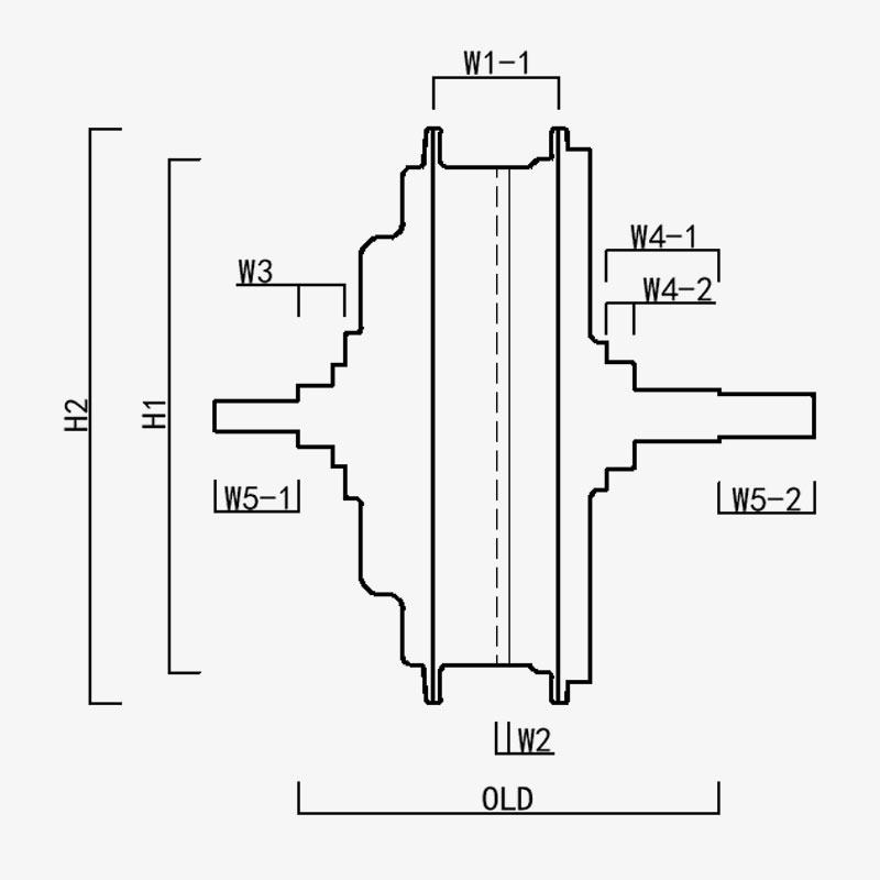
H1/ OD: 167
H2/OD Motor: 187
W1(-1/-2): 40.8
W2: 4.15
W3: 15.2
W4(-1/-2): 37/9
W5(-1/-2): 27/31
LAMA: 137
Panjang Gandar: 195
Ningbo Yinzhou HENTACH Electromechanical Co., Ltd.
hubungi kami
  • Hantar dan hantar
Ningbo Yinzhou HENTACH Electromechanical Co., Ltd.
APA YANG MEMBESARKAN KITA
  • Motor hab pacuan belakang yang berkuasa, dengan roda tenaga berputar 7-kelajuan, bukaan gear 135mm, kebolehsuaian yang lebih tinggi dan kuasa undian sehingga 750w.

  • Gear keluli plastik yang dipatenkan: 5 kali tork gear nilon; jangka hayat lebih daripada 40,000 kilometer; lebih rendah selepas jualan

  • Tork gerai sehingga 85NM, direka khas untuk eMTB/Kargo.

SIAPA KITA Lebih daripada 20 tahun pengalaman pengeluaran.

Ningbo Yinzhou HENTACH Electromechanical Co., Ltd. (Sebelum ini Hengtai Motor) Ditubuhkan pada tahun 1995 dan sebelum ini dikenali sebagai "Hengtai Motor" (nama Cina syarikat kami), kami secara rasmi menerima pakai nama Inggeris "HENTACH Motor" pada tahun 2020. Kedua-dua nama mewakili pengeluar dipercayai yang sama khusus untuk inovasi elektromekanikal selama lebih 30 tahun. Mengkhusus dalam pemutus dan pemprosesan ketepatan motor DC mini, motor hab elektrik/motosikal dan aloi aluminium-magnesium untuk kenderaan elektrik, kami menggabungkan sistem kawalan kualiti ISO 9001 yang ketat, amalan pengurusan matang dan peralatan pembuatan/pengujian termaju untuk menyampaikan penyelesaian yang boleh dipercayai.

Dengan keupayaan menyeluruh yang merangkumi penuangan bahan mentah hingga penghantaran produk akhir, kami menawarkan perkhidmatan kepada pelbagai pasaran termasuk e-basikal, kenderaan kargo, AGV, kereta golf, jentera pertanian dan e-karting. Kampus kami yang seluas 9,000+㎡ (kawasan binaan 5,000㎡) menempatkan lebih 60 unit peralatan pengeluaran canggih, termasuk mesin tuangan acuan 500 tan, peralatan mesin CNC jitu, sistem penandaan laser, talian pengoksidaan mikro-arka dan dua bangku ujian motor kenderaan elektrik khusus. Infrastruktur ini memastikan pengeluaran yang cekap dan pematuhan ketat dengan piawaian kualiti antarabangsa.

Di HENTACH (Hengtai), kami mengutamakan bahan berkualiti tinggi dan teknologi proprietari—gear keluli nilon kami yang dipatenkan adalah bukti kecemerlangan kejuruteraan kami. Untuk mengesahkan ketahanan, kami pernah melancarkan program jaminan perbatuan untuk motor melebihi 30,000 batu. Hasilnya? Lebih 50 motor bukan sahaja memenuhi penanda aras ini tetapi mengatasinya, dengan beberapa buah mencapai 50,000 batu yang mengagumkan. Prestasi dunia sebenar ini mencerminkan tumpuan kami yang tidak berbelah bahagi pada kebolehpercayaan dan mendorong kami untuk terus berinovasi untuk penyelesaian motor yang lebih bijak dan lebih kukuh.​
Percayai jenama yang dikenali di seluruh dunia sebagai Hengtai Motor dan HENTACH Motor—di mana inovasi gear keluli yang dipatenkan memenuhi ketahanan yang terbukti.

Disahkan Oleh Pensijilan