E-jalan / E-bandar

Motor Hab Belakang Kaset HT MINI

Motor hab kaset HT MINI 8-10 kelajuan direka untuk e-bandar dan basikal jalan raya, menjadikannya salah satu motor hab pemutar luaran terkecil di pasaran. Ia menampilkan reka bentuk yang padat dan ringan dengan berat hanya 1.95kg, dengan kuasa undian 220W dan lebih 30Nm tork, kaset sensor tork boleh didapati. Motor ini boleh mencapai sehingga 250W dengan tork gerai 40Nm. Reka bentuk rotor luarannya mengurangkan ralat kumulatif, meningkatkan ketahanan dan kestabilan.

Parameter Utama
Struktur motor: Voltan Berkadar (V): Kuasa Dinilai (W):
Motor Hab Outrunner 36-48 180-250
Tork Puncak (N.m.): Berat (KG): LAMA (mm):
40 2.18(220w) 142
maklumat terperinci
  • Motor Hab Belakang Kaset HT MINI
  • Motor Hab Belakang Kaset HT MINI
Ningbo Yinzhou HENTACH Electromechanical Co., Ltd. Product Parameters Ningbo Yinzhou HENTACH Electromechanical Co., Ltd. Drawing Ningbo Yinzhou HENTACH Electromechanical Co., Ltd. Contact Us

Data Teras

Kuasa yang diberi nilai 180-250
Voltan terkadar 36-48
Diameter roda 20-28
Julat kelajuan 25-38
Tork maksimum 40
Nisbah Gear 5
Berat (KG) 2.18(220w)

Parameter Pemasangan

Brek Brek cakera
Kaset penderia tork ya
Laluan Pengkabelan Gandar Tengah Kanan
Lubang jejari 2-18-Ф3.2
Penilaian kalis air IP54(Sehingga IP65)
Roda tenaga / roda gegancu KAFI 7-10 kelajuan
Sijil TUV/EN15194/RoHS

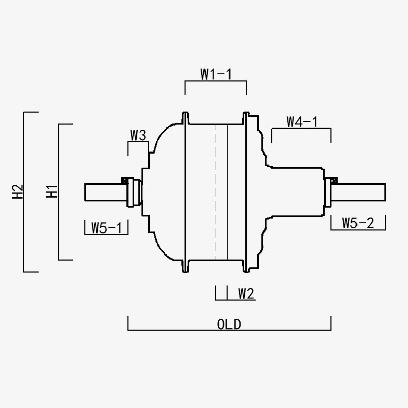
H1/ OD: 95.5
H2/OD Motor: 112.5
W1(-1/-2): 43
W2: 8
W3: 15
W4(-1/-2): 42.5
W5(-1/-2): 30/39
LAMA: 142
Panjang Gandar: 211
Ningbo Yinzhou HENTACH Electromechanical Co., Ltd.
hubungi kami
  • Hantar dan hantar
Ningbo Yinzhou HENTACH Electromechanical Co., Ltd.
APA YANG MEMBESARKAN KITA
  • Motor ini mempunyai diameter luar 95mm, dengan roda tenaga kaset 10-kelajuan, seberat hanya 2.15kg, motor pemutar luar ultra-ringan, dan tork gerai sehingga 40 NM. Rakan kongsi e-basikal.

  • Gear keluli plastik yang dipatenkan: 5 kali tork gear nilon; jangka hayat lebih daripada 40,000 kilometer; lebih rendah selepas jualan

  • Motor pemutar luar: struktur yang lebih stabil daripada pemutar dalam, kadar kegagalan yang lebih rendah

SIAPA KITA Lebih daripada 20 tahun pengalaman pengeluaran.

Ningbo Yinzhou HENTACH Electromechanical Co., Ltd. (Sebelum ini Hengtai Motor) Ditubuhkan pada tahun 1995 dan sebelum ini dikenali sebagai "Hengtai Motor" (nama Cina syarikat kami), kami secara rasmi menerima pakai nama Inggeris "HENTACH Motor" pada tahun 2020. Kedua-dua nama mewakili pengeluar dipercayai yang sama khusus untuk inovasi elektromekanikal selama lebih 30 tahun. Mengkhusus dalam pemutus dan pemprosesan ketepatan motor DC mini, motor hab elektrik/motosikal dan aloi aluminium-magnesium untuk kenderaan elektrik, kami menggabungkan sistem kawalan kualiti ISO 9001 yang ketat, amalan pengurusan matang dan peralatan pembuatan/pengujian termaju untuk menyampaikan penyelesaian yang boleh dipercayai.

Dengan keupayaan menyeluruh yang merangkumi penuangan bahan mentah hingga penghantaran produk akhir, kami menawarkan perkhidmatan kepada pelbagai pasaran termasuk e-basikal, kenderaan kargo, AGV, kereta golf, jentera pertanian dan e-karting. Kampus kami yang seluas 9,000+㎡ (kawasan binaan 5,000㎡) menempatkan lebih 60 unit peralatan pengeluaran canggih, termasuk mesin tuangan acuan 500 tan, peralatan mesin CNC jitu, sistem penandaan laser, talian pengoksidaan mikro-arka dan dua bangku ujian motor kenderaan elektrik khusus. Infrastruktur ini memastikan pengeluaran yang cekap dan pematuhan ketat dengan piawaian kualiti antarabangsa.

Di HENTACH (Hengtai), kami mengutamakan bahan berkualiti tinggi dan teknologi proprietari—gear keluli nilon kami yang dipatenkan adalah bukti kecemerlangan kejuruteraan kami. Untuk mengesahkan ketahanan, kami pernah melancarkan program jaminan perbatuan untuk motor melebihi 30,000 batu. Hasilnya? Lebih 50 motor bukan sahaja memenuhi penanda aras ini tetapi mengatasinya, dengan beberapa buah mencapai 50,000 batu yang mengagumkan. Prestasi dunia sebenar ini mencerminkan tumpuan kami yang tidak berbelah bahagi pada kebolehpercayaan dan mendorong kami untuk terus berinovasi untuk penyelesaian motor yang lebih bijak dan lebih kukuh.​
Percayai jenama yang dikenali di seluruh dunia sebagai Hengtai Motor dan HENTACH Motor—di mana inovasi gear keluli yang dipatenkan memenuhi ketahanan yang terbukti.

Disahkan Oleh Pensijilan